16 Mar,2026
Zahnrad vs. Flügelzellen vs. Kolben: Welche industrielle Hydraulikpumpe bietet den besten Wirkungsgrad?


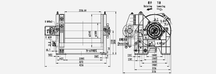
| Bewertet voll auf der 1. Lage (kN) | 1000 |
| Nenngeschwindigkeit auf der 1. Schicht (m/min) | 7 |
| Gesamtverdrängung (ml/h) | 131500 |
| Systemdruck (MPa) | 35 |
| Diff. Druck (MPa) | 32 |
| Seildurchmesser (mm) | 52 |
| Anzahl Seillagen | 9 |
| Trommelkapazität (m) | 1800 |
| Pumpenfluss (l/min) | 300 |
| Motortyp | HL-A4FM500-01 |
| Getriebetyp | IGC550W3-B263 (i=263) |
Produkte namhafter Unternehmen genießen großes Vertrauen bei den Anwendern.
Jahre Branchenerfahrung
Fabrikbereich
Kompetente Mitarbeiter
Fortschrittliche Produktionslinie
INI Hydraulic Co., Ltd. Seit mehr als zwanzig Jahren hat sich das Unternehmen auf die Konstruktion und Herstellung von Hydraulikwinden, Hydraulikmotoren und Planetengetrieben spezialisiert. Wir sind einer der professionellen Baumaschinen Zubehör Lieferanten in Asien. Die Anpassung an die ausgeklügelten Gerätedesigns unserer Kunden ist unser Weg, auf dem Markt robust am Leben zu bleiben. Im Laufe von 26-Jahren, getrieben von der Verpflichtung, ständig Innovationen zu entwickeln, um die Bedürfnisse unserer Kunden zu befriedigen, haben wir eine breite Palette von Produktlinien entwickelt, die auf unseren selbst entwickelten Technologien basieren. Das breite Spektrum an Produkten, die jeweils eng miteinander verknüpft sind, umfasst hydraulische und elektrische Winden, Planetengetriebe, Schwenkantriebe, Getriebeantriebe, Hydraulikmotoren, Pumpen und Hydrauliksysteme.
Die Zuverlässigkeit unserer Produkte hat sich in verschiedenen Anwendungen bewährt, darunter Industriemaschinen, Baumaschinen, Schiffs- und Decksmaschinen, Offshore-Ausrüstung, Bergbau- und Metallurgiemaschinen.
Darüber hinaus wurde unsere Produktqualität von mehreren weltweit renommierten Zertifizierungsstellen bestätigt. Zu den Zertifizierungen, die unsere Produkte erhalten haben, gehören das EG-Baumusterprüfzertifikat, das BV-MODE-Zertifikat, das DNV-GL-Zertifikat, das EG-Konformitätszertifikat, das Zertifikat für die Typgenehmigung für Marineprodukte und die Lloyd’s Register-Qualitätssicherung. Bisher haben wir unsere Produkte neben unserem Heimatmarkt China auch in die USA, nach Deutschland, in die Niederlande, nach Australien, Russland, in die Türkei, nach Singapur, Japan, Südkorea, Malaysia, Vietnam, Indien und in den Iran exportiert. Unsere Logistik- und After-Sales-Services decken die ganze Welt schnell und zuverlässig im Interesse unserer Kunden ab.
16 Mar,2026
09 Mar,2026
02 Mar,2026
23 Feb,2026
TOP